Литые трансформаторы тока SACI
Основные технические характеристики литых трансформаторов тока серии TU-R...
|
Модели |
TA30R |
TA60R |
TA80R |
TA100R |
TA125R |
TA160R |
|||
|
Шина |
30x20 |
60x30 |
80x50 |
100x80 |
125x80 |
160x80 |
|||
|
Кабель |
Ø 20 |
Ø 30 |
Ø 50 |
Ø 80 |
Ø 80 |
Ø 80 |
|||
|
Класс |
0,5 1 3 |
0,5 1 3 |
0,5 1 3 |
0,5 1 3 |
0,5 1 3 |
0,5 1 3 |
|||
|
Номинальный |
Мощность (ВА) |
||||||||
|
100 |
3 |
||||||||
|
150 |
3,75 |
||||||||
|
200 |
2,5 4 |
||||||||
|
250 |
3,75 5 |
1 2,5 3,75 |
1 2,5 3,75 |
1 2,5 3,75 |
|||||
|
300 |
2,5 4 6 |
2 3,75 5 |
2 3,75 5 |
2 3,75 5 |
|||||
|
400 |
3,75 5 10 |
2,5 3,75 7,5 |
2,5 3,75 7,5 |
2,5 3,75 7,5 |
|||||
|
500 |
3,75 5 15 |
3,75 5 15 |
3,75 5 15 |
1,2 5 7,5 |
|||||
|
600 |
5 7,5 20 |
5 7,5 20 |
5 7,5 20 |
1,2 5 7,5 |
|||||
|
750 |
7,5 10 20 |
7,5 10 20 |
7,5 10 20 |
5 10 20 |
5 10 20 |
||||
|
800 |
7,5 10 20 |
7,5 10 20 |
7,5 10 20 |
7,5 10 20 |
7,5 10 20 |
||||
|
1000 |
10 15 20 |
10 15 20 |
10 15 20 |
10 20 30 |
10 20 30 |
||||
|
1200 |
15 20 30 |
15 20 30 |
15 20 30 |
||||||
|
1500 |
15 20 30 |
20 30 45 |
20 30 45 |
||||||
|
2000 |
20 30 45 |
25 30 45 |
25 30 45 |
||||||
|
2500 |
25 30 45 |
25 30 45 |
|||||||
|
3000 |
30 45 60 |
30 45 60 |
|||||||
|
4000 |
30 45 60 |
||||||||
|
5000 |
30 45 60 |
||||||||
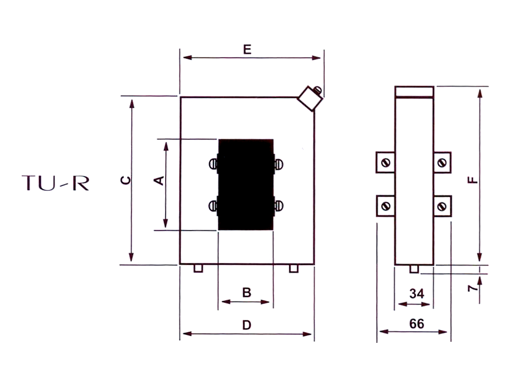
Размеры литых трансформаторов тока серии TU-R…
|
Модель |
A |
B |
C |
D |
E |
F |
|
TA30R |
32 |
22 |
100 |
90 |
99 |
109 |
|
TA60R |
62 |
32 |
130 |
100 |
109 |
139 |
|
TA80R |
82 |
52 |
150 |
120 |
129 |
159 |
|
TA100R |
104 |
82 |
172 |
150 |
159 |
181 |
|
TA125R |
127 |
82 |
195 |
150 |
159 |
204 |
|
TA160R |
162 |
82 |
230 |
150 |
159 |
239 |



